智能阀门定位器(机外型) 产品介绍
|
产品[智能阀门定位器(机外型)]的详细资料 |
|
产品型号: |
ZXQ98 |
|
产品名称: |
智能阀门定位器(机外型) |
|
产品特点: |
ZXQ98电动阀门智能手操定位器(以下简称为定位器)能与电位器或标准电流反馈的电动执行器配套对各种阀门进行精确定位操作,显示直观,操作方便。广泛用于冶金、石化、建材、机械、水泥、制药、食品、酿酒、造纸等行业电动阀门的精确控制。ZXQ98智能阀门定位器,智能阀门定位器,阀门定位器 | |
ZXQ98智能阀门定位器,智能阀门定位器,阀门定位器
| |
■ 自由选择自动/手动方式; ■ 独特的TOYI输入信号滤波算法,有效滤除数百倍于正常输入信号范围的尖峰脉冲信号,并保持8次/秒的采样速度和技术指标精度; ■ 多参数显示,同时显示阀位测量值、设定值,方便观察及调试; ■ 带简便的阀位自动标定、电子制动、防频繁启动、堵转检测控制等功能; ■ 方便的定位精度调整,保证定位稳定,实现一步到位功能; ■ 正作用/反作用可设定及输出上限和下限限定功能。
● 电源:100~240VAC, 小于8W(其它电源电压可定制) ● 环境温度:0-50℃,湿度35~85% ● 外形及开孔尺寸:宽×高×深 96×96×110mm 开孔:91+1×91+1mm ● 显示范围:0.0-100.0% ● 显示精度:0.1% ● 定位精度:高定位精度为±0.1% ● 可接受电动执行器反馈信号:电位器:500Ω~5KΩ 电流:4-20mADC ● 输入:标准电流/电压:4~20m A/1~5ADC(其它输入信号可定制),输入阻抗250Ω ● 输出(有正作用/反作用选择及输出上限和下限限定功能): ①输出继电器触点容量:交流250V,3A ②阀门开度反馈信号等比模拟输出4~20MA ● 可被设定的参数: ①上电状态 ②小设定开度 ③大设定开度 ④定位精度 ⑤信号输入异常动作或屏蔽 ● 可被标定的参数: ①执行器量程零位②执行器量程满位③输入信号零点、满度④输出信号零点、满度 ◆注意:参数有密码保护,③④参数工厂保留使用
|
NO.
|
1面板文字
|
内容 |
|
1
|
PV
|
阀位实际开度显示 |
|
2
|
SV
|
外部阀位设定值/手动设定值 |
|
3 |
无
|
普通型保留使用,通讯型显示通讯地址号 |
|
4 |
无 |
光柱指示阀位实际开度 |
|
5 |
无
|
指示执行器“开”继电器闭合与否,闭合时亮,断开时灭 |
|
6 |
无
|
指示执行器“闭”继电器闭合与否,闭合时亮,断开时灭 |
|
7 |
AL1
|
保留使用 |
|
8 |
AL2
|
保留使用 |
|
9 |
AUTO
|
自动状态显示灯 |
|
10 |
MAN
|
硬手操状态显示灯 |
|
11 |
OUT1
|
自动时常亮,硬手操时闪亮 |
|
12 |
OUT2
|
保留使用 |
|
13 |
TXD
|
通讯指示灯 |
|
14 |
RXD
|
通讯指示灯 |
|
15 |
A/M
|
自动/手动选择键,进入参数设定键 |
|
16 |
无 |
保留使用 |
|
17 |
插图片 |
数字减少键 |
|
18 |
插图片 |
数字增加键 |
|
19 |
SET |
设定键,通讯型进入通讯地址设定 |
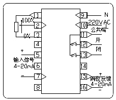
◆弱电信号线端子,接1KΩ执行器反馈电位器。如:1、2、3、分别接电动执行器内的反馈电位器的三个端子,其中2接电位器的滑臂,1接执行器开动作时与滑臂之间电阻不断减小一端,3则接另一端; ◆端子5、7:为弱电信号线端子,接4~20mA输入信号,用于仪表自动控制执行器全闭至全开,其中5接正,7接负 ◆端子9、10:仪表电源,接交流220V,好使用隔离电源或净化电源,而避免与执行器使用同一电源(采用变压器,接仪表电源的次级绕组悬空不接地)。 ◆端子11、12、13:内接两个继电器,容量为AC250V,3A,12、13分别与与执行器的开、闭端子相接,继电器触点均处于常开状态,由于端子用于控制电动执行器的开闭,其负载通常为感性负载,在开关断开时会产生很高的感生电压,干扰仪表工作,故应接上适当的电阻与电容串联吸收保护电路。 端子11与执行器的公共端(COM)分别接电源的L、N。 ◆端子5、16:为弱电信号线端子,输出4~20mA执行器位置信号,有光电隔离,其中15接正,16接负。 仪表出厂时输入信号按4~20mA标准电流信号标定,参照仪表的接线端子图连接好仪表与电动执行器的接线后,需对执行器的零点和满位进行标定,才能保证仪表正常工作。仪表的自动标定功能可以方便地对执行器标定。 参照仪表接线端子连接好电动执行器和电源连线,合理的仪表布线可以使仪表的工作更为可靠,为减少电机干扰,应将电动执行器的电机控制线和反馈信号线分开走线;仪表的弱电信号线应尽量短些,若必须使用较长的连线时,应采用屏蔽信号线,外屏蔽与控制柜外壳妥善接地。 | |
订货须知:
一、①ZXQ98智能阀门定位器产品名称与型号②ZXQ98智能阀门定位器口径③ZXQ98智能阀门定位器是否带附件以便我们的为您正确选型。
二、若已经由设计单位选定公司的ZXQ98智能阀门定位器型号,请按ZXQ98智能阀门定位器型号直接向我司销售部订购。
三、当使用的场合非常重要或环境比较复杂时,请您尽量提供设计图纸和详细参数,由我们的专家为您审核把关。
感谢您访问我们的网站【http://www.dayufaye.com/】,如有任何疑问.您可以致电给我们,我们一定会尽心尽力为您提供优质的服务。